TS
Bridge Engineer
Tempat Nongkrongnya Pemerhati Mekanika Teknik/Analisis Struktur

- Struktur Pembahasan Thread
- Pengantar Mekanika Teknik
- Dasar-dasar Struktur Statis Tertentu
- Beberapa Contoh Struktur Statis Tertentu
- Balok Sendi-Rol Dengan Beban Terpusat
- Reaksi Perletakan Balok Sederhana
- Analisis Balok Sederhana
- Analisis Balok Sederhana (lanjutan)
- Struktur Balok Miring Sederhana
- Semi Portal Dengan Beban Merata dan Terpusat
- Portal Dengan Beban Terpusat dan Merata
- Struktur Balok Gerber
- Struktur Balok Gerber Pada Konstruksi Parabola
- Struktur Balok Gerber Pada Konstruksi Lingkaran
- Struktur Balok Gerber Pada Konstruksi Lingkaran (lanjutan)
- Struktur Balok Gerber Pada Konstruksi Lingkaran (lanjutan)
- Struktur Balok Gerber Pada Konstruksi Lingkaran (lanjutan)
- Pertanyaan Bagus
- Jawaban (1)
- Jawaban (2)
- Jawaban (3)
- Tanya Lendutan
- Pertanyaan bagus dan jawabannya
- Pertanyaan bagus dan jawabannya
- Pertanyaan bagus dan jawabannya
- Pertanyaan bagus dan jawabannya
- Pertanyaan bagus dan jawabannya
- Pertanyaan bagus dan jawabannya
- Pertanyaan bagus dan jawabannya
- Pertanyaan bagus dan jawabannya
- Pertanyaan bagus dan jawabannya
- Pertanyaan bagus dan jawabannya
- Pertanyaan bagus dan jawabannya
- Pertanyaan bagus dan jawabannya
- Pertanyaan bagus dan jawabannya
- Pertanyaan bagus dan jawabannya
- Tips Membaca dan Memeriksa Diagram Gaya-gaya Dalam
- Struktur Rangka Batang
- Contoh Bangunan Struktur Rangka Batang
- Tipe Struktur Rangka Jembatan
- Kriteria Desain Jembatan dan Contoh Tipe Rangka Jembatan
- Lanjutan Kriteria Desain
- Kriteria Keruntuhan Struktur
- Asumsi Dasar Analisis Struktur Rangka
- Lanjutan Asumsi Dasar dan Teori Dasar Banget
- Struktur Rangka Batang dengan Kabel
- Struktur Rangka Batang dengan Kabel (lanjutan)
- Struktur Jembatan Rangka Dengan Beban Terpusat
- Struktur Jembatan Rangka Dengan Beban Terpusat (lanjutan)
- Struktur Jembatan Rangka Dengan Beban Terpusat (lanjutan)
- Struktur Jembatan Rangka Dengan Beban Terpusat (lanjutan)
- Struktur Jembatan Rangka Dengan Beban Terpusat (lanjutan)
- Struktur Jembatan Rangka Dengan Beban Terpusat (lanjutan)
- Struktur Jembatan Rangka Dengan Beban Terpusat (lanjutan)
- Struktur Jembatan Rangka Dengan Beban Terpusat (lanjutan)
- Struktur Jembatan Rangka Dengan Beban Terpusat (lanjutan)
- Struktur Jembatan Rangka Dengan Beban Terpusat (lanjutan)
- Stuktur Jembatan Rangka Dengan Beban Simetris
- Struktur Rangka Atap Bangunan
- Struktur Tower dan Crane
- Hal-hal Penting Tentang Analisis Struktur Rangka
- Catatan Dengan Metoda Ritter atau Potongan
- Garis Pengaruh Struktur Sederhana
- Dasar Teori Metoda Elastisitas
- Lendutan Balok Sederhana Akibat Beban Terpusat Dengan Metoda Elastisitas
- Lendutan Balok Sederhana Akibat Beban Merata Dengan Metoda Elastisitas
- Lendutan Balok Sederhana Dengan Beban Asimetrik
- Lendutan Balok Sederhana Dengan Beban Asimetrik (lanjutan)
- Struktur Balok Sederhana Dengan Beban Segitiga
- Balok Dengan Dua Beban Terpusat Menggunakan Metoda Elastisitas
- Balok Gerber Dengan Metoda Elastisitas
- Hubungan Teorema Maxwell-Betti Dengan Metoda Elastisitas
- Analisis Balok Menerus Dengan Metoda Conjugate Beam
- Analisis Struktur Rangka Dengan Metoda Matriks
- Analisis Struktur Rangka Dengan Metoda Matriks (verifikasi)
- Balok Sendi-Rol Dengan Beban Terpusat
- Analisa Penampang Profil
- Struktur Statis Tak Tentu
- Dasar Teori Struktur Statis Tak Tentu
- Dasar Teori Struktur Statis Tak Tentu (lanjutan)
- Prinsip Superposisi Analisis Struktur
- Prinsip Superposisi Analisis Struktur (lanjutan)
- Prinsip Superposisi Analisis Struktur (lanjutan)
- Struktur Portal
- Struktur Portal (lanjutan)
- Dasar Teori Metoda Slope Deflection
- Dasar Teori Metoda Slope Deflection (lanjutan)
- Struktur Portal Dengan Metoda Slope Deflection
- Struktur Portal Dengan Metoda Slope Deflection (lanjutan)
- Struktur Portal Dengan Metoda Slope Deflection (lanjutan)
- Struktur Portal Dua Sendi Dengan Metoda Slope Deflection
- Portal Beban Terdistribusi dan Terpusat Dengan Metoda Slope Deflection
- Struktur Portal Dua Sendi Dengan Metoda Distribusi Momen
- Koefisien Momen Balok Menerus Berdasarkan Metoda Distribusi Momen
- Portal Beban Merata dan Terpusat Dengan Metoda Distribusi Momen
- Keterangan Tambahan Mengenai Metoda Distribusi Momen
- Keterangan Tambahan Mengenai Metoda Distribusi Momen (lanjutan)
- Analisis Balok Menerus Terjepit dengan Metoda Slope Deflection
- Dasar Teori Metoda Energi
- Dasar Teori Metoda Energi (lanjutan)
- Dasar Teori Metoda Energi (lanjutan)
- Dasar Teori Metoda Energi (lanjutan)
- Dasar Teori Metoda Energi (lanjutan)
- Dasar Teori Metoda Energi (lanjutan)
- Struktur Rangka Dengan Metoda Energi
- Struktur Rangka Dengan Metoda Energi (lanjutan)
- Struktur Rangka Dengan Metoda Energi (lanjutan)
- Struktur Rangka Dengan Metoda Energi (lanjutan)
- Struktur Rangka Dengan Metoda Energi (lanjutan)
- Struktur Rangka Dengan Metoda Energi (lanjutan)
- Struktur Rangka Dengan Metoda Energi (lanjutan)
- Struktur Rangka Dengan Metoda Energi (lanjutan)
- Struktur Rangka Dengan Metoda Energi (lanjutan)
- Metoda Elastisitas Pada Struktur Terjepit Di Kedua Ujungnya
- Struktur Balok Menerus Dengan Metoda Elastisitas
- Struktur Balok Menerus Dengan Metoda Elastisitas (lanjutan)
- Struktur Balok Menerus Dengan Metoda Elastisitas (lanjutan)
- Struktur Balok Menerus Dengan Metoda Elastisitas (lanjutan)
- Dasar Teori Metoda Persamaan Tiga Momen
- Dasar Teori Metoda Persamaan Tiga Momen (lanjutan)
- Struktur Portal Dua Sendi Dengan Metoda Persamaan Tiga Momen
- Struktur Portal Dua Sendi Dengan Metoda Persamaan Tiga Momen (lanjutan)
- Struktur Balok Terjepit Pada Kedua Ujung Dengan Metoda Persamaan Tiga Momen
- Struktur Balok Terjepit Pada Kedua Ujung Dengan Metoda Persamaan Tiga Momen (lanjutan)
- Struktur Balok Terjepit Pada Kedua Ujung Dengan Metoda Momen Area
- Struktur Balok Terjepit Pada Kedua Ujung Dengan Metoda Momen Area (lanjutan)
- Dasar Teori Struktur Statis Tak Tentu
- Sepintas Tentang Dinamika Struktur Jembatan
- Frekuensi Alami Struktur
- Frekuensi Alami Struktur (lanjutan)
- Frekuensi Alami Struktur (lanjutan)
- Frekuensi Alami Struktur (lanjutan)
- Frekuensi Alami Struktur (lanjutan)
- Ilustrasi Permasalahan (1)
- Ilustrasi Permasalahan (2)
- Ilustrasi Permasalahan (3)
- Frekuensi Alami Struktur
- Beberapa Contoh Kasus
- Penanganan Kerusakan Jembatan Katingan (Prov. Kalteng)
- Penanganan Kerusakan Jembatan Katingan (lanjutan)
- Penanganan Kerusakan Jembatan Katingan (lanjutan)
- Penanganan Kerusakan Jembatan Katingan (lanjutan)
- Penanganan Kerusakan Jembatan Katingan (Prov. Kalteng)
- Obrolan Santai
- Pertama
- Kedua
- Ketiga
- Keempat
- Kelima
- Keenam
- Ketujuh
- Kedelapan
- Kesembilan
- Kesepuluh
- Kesebelas
- Dokumen Pemeriksaan Jembatan
- Pertama
- Kepustakaan
- Sumbangan Kaskuser
- Dokumentasi Fabrikasi Struktur Jembatan yang TS Kunjungi di Luar Negeri
ngindeksnya masih dilanjutin...
selalu update untuk setiap pertanyaan/komentar tentang analisis struktur.
Diubah oleh Bridge Engineer 22-10-2017 17:45
febrinx dan 8 lainnya memberi reputasi
9
417.5K
1.9K
Komentar yang asik ya
Mari bergabung, dapatkan informasi dan teman baru!
Sipil
1.8KThread•890Anggota
Tampilkan semua post
TS
Bridge Engineer
#211
Quote:
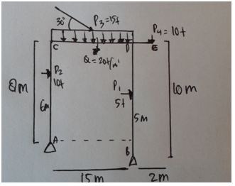
(1).
d = -m + 2j + r
d = -3 + 2(4) + 4
d = 1
ini adalah jenis struktur statis tak tentu derajat 1
tetapi karena geometrik struktur adalah simetri, maka untuk sementara bisa kita cari gaya-gaya reaksi vertikalnya. Sedangkan gaya-gaya horizontalnya bisa dicari dengan menerapkan satu persamaan tentang deformasi.
ΣM di titik A = 0
0.5(10)(5)^2 + (10)(7) + (10)(2) + (15)(3) - (Vb)(10) = 0
Vb = 26 ton
ΣM di titik B = 0
0.5(10)(5)^2 + (10)(7) - (10)(8) + (15)(3) + (Va)(10) = 0
Va = -16 ton
periksa lagi hasil di atas, apakah gaya-gaya reaksi vertikalnya sudah benar ??
ΣFy = 0
Va + Vb - 10 = 0
-16 + 26 - 10 = 0
0 = 0
ok cocok
0

jawab tugas 1