Permisi buat para agan, mas, bro, sista & para master. Ane pengen buka lapak sharing mengenai DIY. Semua hal yang berhubungan dengan pemeliharaan ikan air tawar maupun laut yang bisa di - DIY - kan silahkan sharing di sini. Boleh copas, share link, konsep, maupun sumber apapun semua sah, terutama jika bisa digunakan dengan baik.
Agar agan mudah dalam mencari ane bagi proyek DIY pada page one menjadi : 1. DAFTAR PROYEK DIY
Isinya merupakan keseluruhan DIY yang diposting disini, yang kriterianya yaitu lengkap step by stepnya, walaupun DIY tersebut hanyalah konsep. Tentu saja konsep tersebut telah ane teliti dan diperkirakan bisa berfungsi dengan baik.
2. DAFTAR KARYA SUKSES DIY
Isinya adalah contoh-contoh DIY dan proyek DIY yang telah dibuat dengan hasil sukses.
Kenapa di sebut contoh? Karena terkadang ada yg membuat DIY tetapi tidak mengambil foto step by stepnya, jadinya hanya foto saat terpasang. Guna ane masukkan adalah untuk sumber inspirasi dan variasi bahan. Karena proyek DIY bukanlah karya "mati" yang harus menggunakan bahan tertentu, misalnya DIY canister filter tidak harus pakai pipa PVC, tetapi bisa pakai drum plastik 20 ltr.
Hal ini juga sebagai penyemangat dan lahan pembuktian kesuksesan ber DIY.
3. HOT UPDATE
Hot Update adalah daftar isi DIY terbaru dalam periode tertentu. Isinya akan ane batasi 10 DIY original terbaik atau ter Up To Date saat ini. Isinya akan terus berganti sesuai dengan selera / keadaan saat ini.
4. LATEST UPDATE
Adalah produk DIY terbaru / terakhir diposting, isinya hanya 1 DIY project. Isi dari Latest Update ane utamakan yang telah benar-benar sukses dibuat, lagi trend saat ini juga belum ada produk DIY sejenis yang di posting di thread ini.
5. NEXT DIY PROJECT IN PROGRESS
Adalah tempat dimana agan mendaftarkan DIY project yang hendak di buat. Bila agan telah membuatnya dan telah memposting isinya di DIY serba DIY maka, Nama DIY agan akan ane hapus. Karena secara otomatis karya DIY agan ane masukkan dalam daftar isi. Tentu saja setelah dinilai kelengkapannya dan kelayakan lainnya.
24. DIY Pembersih Kerak Kaca Super Ampuh by Erwinar (original product never posted in another web) Formula
25. DIY LED Murah (for aquascape) by Erwinar (original product never posted in another web) Link DIY LED Murah
26. DIY LED PSU (for led lighting)
high power 12 VDC/180 watt. Direct Link
27. DIY LIGHTING CALCULATION By ErwinarLink Calculator
For aquascaper
(Re edited from original link)
28. DIY AIR TERJUN DALAM AIR by Erwinar DIYATDA Dilengkapi dengan cara pembuatan step by step dan contoh jadinya plus video-video hasil karya maestro yang memukau
(Masih berupa konsep karena ane belum sempat membuatnya)
29. DIY Stand Lamphood by Michaelstiefft biaya murah tapi terlihat sangat mewah Link DIY agan Michael
30. DIY CHILLER AQUARIUM MURAH by Erwinar Link DIY
Biaya pembuatan yang relatif murah dan sangat mudah, ane hanya bikin secara konsep, berdasarkan googling.
31. DIY LED 2X10 Watt By Peter Sanjaya Link
Lengkap dengan lamphoodnya dan tempat pupuk cair cantik dari acrylic. Karya DIY master Peter Sanjaya emang selalu rapih dan memiliki nilai estetika tinggi
32. DIY POND Auto Feeder By Efendy_ang Link
Karya rapih dan berkapasitas besar, makanya ane ganti namanya dari fish autofeeder menjadi Pond autofeeder
34. DIY Surface Skimmer / Extractor By Mayu.Jackfruit Link
Berfungsi menghisap minyak / kotoran dari permukaan air
35. DIY Aquascape Underwater Waterfall By Erwinar Direct Link
Setup pembuatan air terjun dalam air + pembuatan ornamen tebing air terjun + Aquascape tank setup All in one DIY.
Original setup by Erwinar, never posted in another websites.
36. DIY Drop Checker by Mayu.Jackfruit Link
Simple sederhana dan gampang buatnya, yg terutama berfungsi.
DAFTAR KARYA SUKSES DIY
Isi dari Daftar Contoh Aplikasi DIY adalah hasil DIY dari sucessors DIY, patut dilihat agar dapat menimbulkan ide-ide ber DIY dan menunjukkan kesuksesan kreatifitas.
23. DIY Led Powersupply By Erwinar Link
Dari bekas PSU PC, sehingga harganya sangat murah tapi kualitasnya terjamin
24. DIY Light Calculation By Erwinar link
Untuk menghitung kecukupan lampu aquascape
25. DIY Stand Lamphood By Michaelstiefft Link Bahan murah model luxury
26. DIY Surface Skimmer / Extractor By Mayu.Jackfruit Link
27. DIY Aquascape Underwater Waterfall By Erwinar Direct Link
Setup pembuatan air terjun dalam air + pembuatan ornamen tebing air terjun + Aquascape tank setup All in one DIY.
Original setup by Erwinar, never posted in another websites.
28. DIY Drop Checker by Mayu.Jackfruit Link
Simple sederhana dan gampang buatnya, yg terutama berfungsi.
HOTUPDATE
Spoiler for DAFTAR ISI HOT:
7 February 2015
DIY Drop Checker by Mayu.Jackfruit Link
Simple sederhana dan gampang buatnya, yg terutama berfungsi.
LATEST UPDATE 7 February 2015
DIY Drop Checker by Mayu.Jackfruit[/B] Link
Simple sederhana dan gampang buatnya, yg terutama berfungsi.
NEXT DIY PROJECT IN PROGRESS AIO DIY Waterfall + Undergravel Setup + Gravel setup + Ornamen Tebing dari semen + replanting.
Setelah percobaan pembuatan waterfall ane yang sekali bikin langsung jadi, maka ane nekat rescape aquascape ane dengan ornamen tebing dan waterfall yang di gabung dengan ugf kayak posting ane yang ini
DIY ini membutuhkan waktu pengerjaan yang lama, Pembuatan ornamen tebing dari semen sedikitnya membutuhkan waktu seminggu sampai benar-benar kering. Sedangkan untuk menghilangkan zat kimia berbahaya juga dibutuhkan waktu setidaknya seminggu. Rencana ane mau bikin cetakan tebing pakai styrofoam, setelah kering semennya styrofoam akan di buang dan lapis semen dari sebelah dalam biar kuat. Karena didalam tebing tersebut berisi peralatan UGF dan waterfall serta diisi dengan media untuk tanaman.
Terus terang ane saat ini masih bimbang, kaerna jika DIY ini dilakukan maka ane butuh 1 aquarium lagi untuk tanaman kesayangan ane. karena perkiraan ane aquarium yg sekarang ga bakal muat jika seluruh tanaman di replant.
Ane juga masih pikir, apa ane sebaiknya bikin underwater river juga..... hmmmmm sungai dalam air ..... pusing
END CREDIT
Spoiler for Thanks:
Apabila ane ada kekeliruan ane mohon maaf yang sebesar-besarnya, ane mohon kritik dan sarannya demi kemajuan thread ini dan yang terutama demi kesuksesan ber-DIY-ria. Sehingga thread ini dapat dimanfaatkan oleh semua orang.
Ane ucapkan terimakasih untuk yang telah berpartisipasi menymbangkan hasil karya DIY-nya, semoga dapat terus berkarya dengan hasil yang berguna baik bagi diri sendiri maupun orang lain.
Special thanks untuk agan-agan pemilik gambar atau foto yang ane tidak tahu dimana dan siapa, dimana gambar atau fotonya telah ane comot untuk melengkapi keterangan maupun untuk mempercantik thread ini.
The BIGGEST Thanks to Google, who helping me in so many project and supporting me with so many references.
Diubah oleh erwinar 08-02-2015 13:08
dotibed memberi reputasi
1
411.8K
Kutip
741
Balasan
Komentar yang asik ya
Mari bergabung, dapatkan informasi dan teman baru!
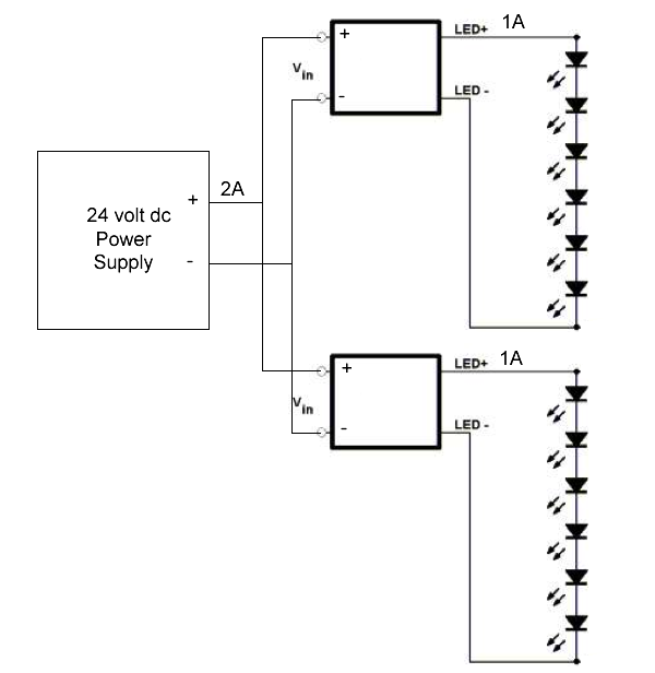
Schema DIY LED atas permintaan agan idoku.
Ane kasih berbagai schema mulai dari yang sederhana sampai yang bisa mati atau hidup sendiri berdasarkan cahaya lingkungan.
Sedangkan DIY LED yang agan minta schemanya ane lihat di http://www.fishforums.com/forum/diy-...ed-lights.html
Ane copas & translate dari sana.