- Beranda
- Hobby & Community
Hobby Elektronika Digital, MicroController & solder Menyolder gabung sini Yuks
...
TS
ahocool
Hobby Elektronika Digital, MicroController & solder Menyolder gabung sini Yuks
DIGITAL ELECTRONICS HOBBY FORUM

UPDATE 8/JUNI/2014
DUKUN FUSEBIT AKAN MENGHIDUPKAN IC MU YANG MATI !

Selengkapnya dibahas di sini gan !!
CLINOMETER SEDERHANA MEMANFAATKAN ADC

Selengkapnya dibahas di post berikut
Proyek2 micro yg sudah jadi
I.N.D.E.X F.O.R.U.M
Biar ngiler, ane kasih contoh hasil karya TS...
.

Spoiler for apa aja sih yang dibahas?:
Spoiler for "Hobby Microcontroller Itu Mahal ? Kreativitasmu Itu yg Mahal Gan !":
UPDATE 8/JUNI/2014
DUKUN FUSEBIT AKAN MENGHIDUPKAN IC MU YANG MATI !

Selengkapnya dibahas di sini gan !!
CLINOMETER SEDERHANA MEMANFAATKAN ADC

Selengkapnya dibahas di post berikut
Spoiler for Buka Jika Mau Paket Belajar:
Proyek2 micro yg sudah jadi
Quote:
I.N.D.E.X F.O.R.U.M
Quote:
Biar ngiler, ane kasih contoh hasil karya TS...
Spoiler for Contact TS lewat dimari yahh:
.
Diubah oleh ahocool 14-06-2025 11:27
0
1M
8.6K
Komentar yang asik ya
Mari bergabung, dapatkan informasi dan teman baru!
Hobby & Community
10.5KThread•7.1KAnggota
Tampilkan semua post
TS
ahocool
#2955
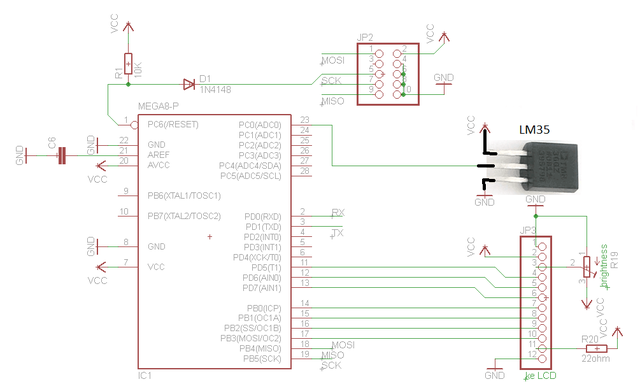
TERMOMETER dengan LM35
kita lanjut pembahasan ADC sebelumnya, dengan rubah inputan trimpot menjadi sensor temperatur yg sangat umum yaitu LM35
![kaskus-image]()
LM35 sangatlah gampang dipake , hanya dengan memberikan tegangan VCC (kali ini pake 5V) dan ground, maka di pin output akan terjadi perubahan tegangan sebesar 10mV tiap perubahan 1 derajat C.
skematik dari termometer tidak jauh berbeda dengan project sebelumnya, hanya mengganti trimpot dengan LM35
![kaskus-image]()
karena LM35 menggunakan step per derajat sebesar 10mili volt dan mega 8 memiliki resolusi 10 bit dan step per bit adalah 4,9 mili volt, maka secara mudah pembacaan ADC dari LM 35 dapat langsung dirumuskan sebagai
SUHU = PEMBACAAN ADC / 2
hasilnya seperti berikut :
![kaskus-image]()
SELAMAT MENCOBA
kita lanjut pembahasan ADC sebelumnya, dengan rubah inputan trimpot menjadi sensor temperatur yg sangat umum yaitu LM35

LM35 sangatlah gampang dipake , hanya dengan memberikan tegangan VCC (kali ini pake 5V) dan ground, maka di pin output akan terjadi perubahan tegangan sebesar 10mV tiap perubahan 1 derajat C.
skematik dari termometer tidak jauh berbeda dengan project sebelumnya, hanya mengganti trimpot dengan LM35

karena LM35 menggunakan step per derajat sebesar 10mili volt dan mega 8 memiliki resolusi 10 bit dan step per bit adalah 4,9 mili volt, maka secara mudah pembacaan ADC dari LM 35 dapat langsung dirumuskan sebagai
SUHU = PEMBACAAN ADC / 2
Code:
int main(void)
{
uint16_t baca,decimal,pecahan;
char derajat = 0xDF; // karakter derajat
char dum;
lcd_init(LCD_DISP_ON);
lcd_clrscr();
lcd_gotoxy(0,0);
lcd_puts("TEST ADC ATMEGA8");
initADC();
while(1)
{
baca=ReadADC(0); //baca ADC
lcd_gotoxy(0,1);
lcd_puts("Suhu=");
\t itoa(baca/2,&dum); // konversi ke suhu
\t lcd_puts(&dum);
\t lcd_putc(',';
\t itoa((baca%2)*5,&dum); // kasi resolusi 0.5
\t lcd_puts(&dum);
lcd_putc(' ';
lcd_putc(derajat);
\t lcd_putc('C';
_delay_ms(100);
}
return 0;
}
hasilnya seperti berikut :

SELAMAT MENCOBA
0

;