ni sob,..cara naekin ninin sedirian tapi ati ati ngejeblak ke samping, klo ane sjau ini aman aja tp biar aman standar samping jgn naekin dlu,.. https://rNs9JqPH66o
putih dari hongkong :ngakak ni ga putih ... http://kkcdn-static.kaskus.co.id/images/2013/02/04/1274276_20130204043158.png
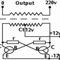
ni gan kalo mau murah bikin sendiri syaratnya harus ngeti electro modal paling 50 rebu, buat rangkain PtP kira kira out putnya 60-100 watt (cukup kalo buat TV 14 inc crt ato 20 inc lcd/led) http://kkcdn-static.kaskus.co.id/images/2013/02/04/1274276_20130204012241.jpg
Cek aja dulu perubahan ground clearance setelah pasang knalpot aftermarket (biasanya lebih tinggi dibanding pake knalpot standar), klo gw sih slama ini cuma jalan pelan2 doang klo lewat poldur biar gak terlalu ngayun. Kayaknya ada deh exhaust guard, pernah liat org jual knalpot er6 ada exhaust gua
Salken, wow pake twobros siap2 suara menggelegar nih :Yb Gw pake pcV & belum pernah pake bazzaz, keduanya harusnya sih oke aka recommended, yg penting saat instalasi & settingnya betul2 dipelajari, dipahami & dilakukan sesuai panduan dr produsennya, klo masbro coba search & baca2
salam sobat,...saya sebetulnya ga terlalu aktif di forum hanya pantau aja,... mau nanya dikit, saya rencana mau ganti knalpot dengan twobros..tapi menurut temen temen sekalian aja pasang piggyback, untuk seting pasokan bbm,.yang mau saya tanya 1. saya udah beli knalpot twobross (belum terpasang) 2.
bisa pingsan ane kena sruduk klakson gituan :hammer: Versys gak jauh beda feelnya sama bmw yang mirip2 itu gan tipenya Ane nyobain lgsg gamau turun dari versys :( But still jatuh cinta sama all new 636 :D untuk masalah downgrade ane sih percaya kalau kawasaki gak akan ngasih konsumennya bahan
gapapa kali om we are bounded by the same gen from kawasaki :D Let the good times roll~ Awas gan jangan kenceng2 dulu, jalanan lagi pada semi offroad di mana2 :hammer: hahaha, banyak lobang dijalanan ya sob...bukan banyak jalan yang berlobang...:ngakak. ini ane mau cerita dikit tentang ninin sebe
okaayss gan maaci infonya cek kolor yaa :D +1 :beer: Gan di aerospeed bisa ngatur injector macam pake piggyback lho btw :D + ada Dynosaurus :hammer: TQ sob minman segernya,... btw my ER masih standar aja belum di apa apain mungkin pasokan BBM ke engine masih mumpuni tenaga juga udah edan walau
Basah basah basah sumisu~~:betty iklan jadul bro :hammer: Bro bro filter oli er berapa yak? kan samaan kita filternya :D ninin karbu ane pake filter oli kawasaki 50 rebu beli di kawasaki cileduk (yang baru tokonya sebelah dealer suzuki) kalo er-6 pake filter K&N 310 rebu beli di jlan KB.jeruk ko...
Demi deh wong ane senyum nyengir gan (pake helm) :hammer: wegh moge berenang di banjir :matabelo: awas injector gan :D injector aman sob, ane ebih kawatir ECU ...masuk air mandi basah co.id pasti
lagi pada inden zx6 gan :D :hammer: BTW what's wrong with ninja riders? Di klakson malah di plototin gw rata2 :( wah pada naek kelas ya,...ane baru mau kelulusan pake kakaknya ninin,...(er-6)..:ngakak:ngakak jangan dikalkson om...kalo diplototin,... kalo ane kemaren pake kawak er 6 lewat banjir
sepertinya ente salah beli gan,...lagian kalo mau upgrade ram 4 gb windowsnya juga harus di upgrade yg 64 :)
batavia cukup bagus juga pelayananya ane sering pake ini maskapai walau hanya 1 x sehari pulang pergi ke kota ane (palembang-jakarta) tp cukup lah,..
mau nulis apa ya,...???? sampe bingung ane mau komen apa.., ternyata...terlaluuuuuuuuuuu :ngakak:ngakak:ngakak:ngakak:ngakak